Field Notes and Circuits
LM386

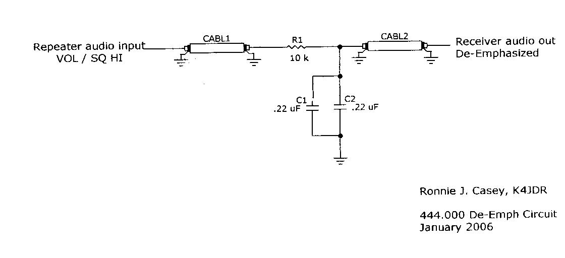
"Flat Audio"
Weather Radio Interfacing and Astron Reset Modification
More Weather Radio interface sketches.



Final drawing of MTS weather radio interface:
Typical DC Voltage block diagram

![]()

Motorola 16 Pin connector
GE Radios used with IRLP


Circuit for COS High for GE MLS
Old DB9 interface diagram used on link radios
Old Tech Chart
Antenna Separation Chart
Heliax diagram for connector install
NC County Map

